0Porovnat
Všechny kategorie
Všechny kategorie

Odbočka elektro navrtávací s ventilem 160/ 63 SDR 11 +GF+

Tvarovka pro napojení přípojky do stávajícího hlavního řadu PE potrubí s ovládacím ventilem.

Vaše cena9 569 Kč
Vaše cena bez DPH7 908  Kč
Skladem

Varianty

Odbočka elektro navrtávací s ventilem 160/ 32 SDR 11 +GF+
Skladem
Vnější průměr roury DN/OD (mm):
 160
Vnější průměr přípojky d (mm):
 32
8 843 Kč 
s DPH
Skladem
8 843 Kč 
s DPH
Odbočka elektro navrtávací s ventilem 160/40 PE 100 SDR 11 (KIT)
3-5 pracovních dnů
Vnější průměr roury DN/OD (mm):
 160
Vnější průměr přípojky d (mm):
 40
9 472 Kč 
s DPH
3-5 pracovních dnů
9 472 Kč 
s DPH
DPH:21%
Jednotka:Ks
Kód 1:DAV16063
Značka:Σ - Elektrotvarovky a tvarovky natupo

Popis

  • tvarovka pro přípojku k hlavnímu řadu PE potrubí
  • použití pro vodu i plyn
  • s ovládacím ventilem
  • tvarovky se svařují pouze pomocí speciální elektrosvářečky

Technická specifikace

Obecné

Barva
Barva
černá
Výrobní řada (mm)
Výrobní řada (mm)
50 -315 mm
Použití
Použití
hlavní řady, domovní přípojky
Dle normy
Dle normy
ČSN EN 12201-3, EN 1555
Materiál
Materiál
PE 100 - polyetyén
SDR
SDR
SDR 11
PN (bar)
PN (bar)
PN 16
Hmotnost netto (kg)
Hmotnost netto (kg)
3,018 kg
Napájecí napětí
Napájecí napětí
40

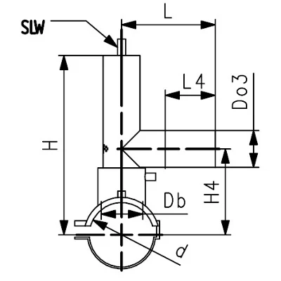
Rozměry elektro tvarovek

Celková délka l (mm)
Celková délka l (mm)
165 mm
Vnější průměr roury DN/OD (mm)
Vnější průměr roury DN/OD (mm)
160 mm
Vnější průměr přípojky d (mm)
Vnější průměr přípojky d (mm)
63 mm

Hodnocení

2645_DAAOTOCNY360_

Odbočka elektro navrtávací 160/ 63 SDR 11 +GF+

DAA16063
3 069  Kč / Ks s DPH
3-5 pracovních dnů
{branchAvailabilityBranch}
{branchAvailabilityText}

Tvarovka pro napojení přípojky do stávajícího hlavního řadu PE potrubí.
Produkt jste již hodnotil

Košík obsahuje nepovolené položky

Košík je prázdný

Zobrazit košík

Zboží bylo přidáno do porovnání

Prosím čekejte...
Objednávku nelze dokončit, zkuste to prosím později
Chyba při vložení do košíku
Nepovolená kombinace - košík obsahuje dárek z věrnostního programu, který je možné uplatnit pouze v samostatné objednávce.
Chyba při odebrání z košíku
Dárek lze uplatnit pouze v samostatné objednávce.
Dárek lze uplatnit pouze s nákupem alespoň jedné položky.
Máte blokované čerpání bodů
Chyba při vložení dárku do košíku
Pro vložení do košíku nemáte dostateční počet bodů
Dárek není skladem

Hlídání zboží bylo úspešně nastaveno. Budeme vás informovat emailem.

Požadavek nemůže být odeslán. Zkuste to znovu později