0Porovnat
Všechny kategorie
Všechny kategorie

Odbočka elektro navrtávací s ventilem 315/63 PE 100 SDR 17 +GF+

Tvarovka pro napojení přípojky do stávajícího hlavního řadu PE potrubí s ovládacím ventilem.

Vaše cena14 656 Kč
Vaše cena bez DPH12 112  Kč
Skladem

Varianty

Odbočka elektro navrtávací s ventilem 315/32 PE 100 SDR 17 +GF+
na dotaz
Vnější průměr roury DN/OD (mm):
 315
Vnější průměr přípojky d (mm):
 32
13 857 Kč 
s DPH
na dotaz
13 857 Kč 
s DPH
DPH:21%
Jednotka:Ks
Kód 1:DAV31563
Značka:GF

Popis

  • tvarovka pro přípojku k hlavnímu řadu PE potrubí
  • použití pro vodu i plyn
  • s ovládacím ventilem
  • tvarovky se svařují pouze pomocí speciální elektrosvářečky

Technická specifikace

Obecné

Barva
Barva
černá
Výrobní řada (mm)
Výrobní řada (mm)
50 -315 mm
Použití
Použití
hlavní řady, domovní přípojky
Dle normy
Dle normy
ČSN EN 12201-3, EN 1555
Materiál
Materiál
PE 100 - polyetyén
SDR
SDR
11
PN (bar)
PN (bar)
PN 16
Hmotnost netto (kg)
Hmotnost netto (kg)
2,696 kg
Napájecí napětí
Napájecí napětí
40

Rozměry elektro tvarovek

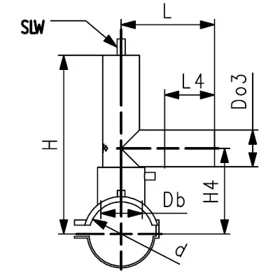
Celková délka l (mm)
Celková délka l (mm)
165 mm
Vnější průměr roury DN/OD (mm)
Vnější průměr roury DN/OD (mm)
315 mm
Vnější průměr přípojky d (mm)
Vnější průměr přípojky d (mm)
63 mm

Hodnocení

Produkt jste již hodnotil

Košík obsahuje nepovolené položky

Košík je prázdný

Zobrazit košík

Zboží bylo přidáno do porovnání

Prosím čekejte...
Objednávku nelze dokončit, zkuste to prosím později
Chyba při vložení do košíku
Nepovolená kombinace - košík obsahuje dárek z věrnostního programu, který je možné uplatnit pouze v samostatné objednávce.
Chyba při odebrání z košíku
Dárek lze uplatnit pouze v samostatné objednávce.
Dárek lze uplatnit pouze s nákupem alespoň jedné položky.
Máte blokované čerpání bodů
Chyba při vložení dárku do košíku
Pro vložení do košíku nemáte dostateční počet bodů
Dárek není skladem

Hlídání zboží bylo úspešně nastaveno. Budeme vás informovat emailem.

Požadavek nemůže být odeslán. Zkuste to znovu později