0Porovnat
Všechny kategorie
Všechny kategorie

Odbočka elektro navrtávací 125/63 PE 100 SDR 11 monoblok +GF+

Tvarovka pro napojení přípojky do stávajícího hlavního řadu PE potrubí.

Vaše cena3 883 Kč
Vaše cena bez DPH3 209  Kč
3-5 pracovních dnů

Varianty

Odbočka elektro navrtávací 125/40 PE 100 SDR 11 monoblok +GF+
3-5 pracovních dnů
Vnější průměr roury DN/OD (mm):
 125
Vnější průměr přípojky d (mm):
 40
2 604 Kč 
s DPH
3-5 pracovních dnů
2 604 Kč 
s DPH
Odbočka elektro navrtávací 125/32 PE 100 SDR 11 monoblok +GF+
3-5 pracovních dnů
Vnější průměr roury DN/OD (mm):
 125
Vnější průměr přípojky d (mm):
 32
3 361 Kč 
s DPH
3-5 pracovních dnů
3 361 Kč 
s DPH
DPH:21%
Jednotka:Ks
Kód 1:DAA12563MONO
Značka:GF

Popis

  • tvarovka pro přípojku k hlavnímu řadu PE potrubí
  • použití pro vodu i plyn
  • bez ovládacího ventilu
  • tvarovky se svařují pouze pomocí speciální elektrosvářečky

Technická specifikace

Obecné

Barva
Barva
černá
Výrobní řada (mm)
Výrobní řada (mm)
40 - 560 mm
Použití
Použití
hlavní řady, domovní přípojky
Dle normy
Dle normy
ČSN EN 12201-3, EN 1555
Materiál
Materiál
PE 100 - polyetyén
SDR
SDR
11
PN (bar)
PN (bar)
PN 16
Hmotnost netto (kg)
Hmotnost netto (kg)
0,8 kg
Napájecí napětí
Napájecí napětí
40

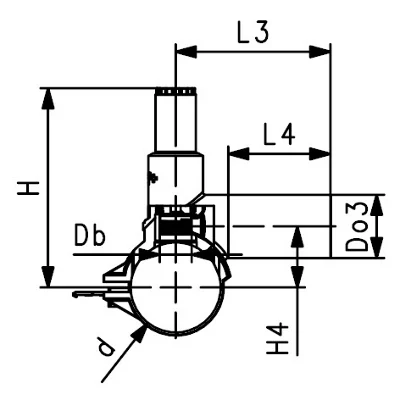
Rozměry elektro tvarovek

Celková délka l (mm)
Celková délka l (mm)
162 mm
Vnější průměr roury DN/OD (mm)
Vnější průměr roury DN/OD (mm)
125 mm
Vnější průměr přípojky d (mm)
Vnější průměr přípojky d (mm)
63 mm

Hodnocení

Odbočka elektro navrtávací s ventilem 125/ 63 SDR 11 +GF+

Odbočka elektro navrtávací s ventilem 125/63 PE 100 SDR 11 +GF+

DAV12563
8 085  Kč / Ks s DPH
3-5 pracovních dnů
{branchAvailabilityBranch}
{branchAvailabilityText}

Tvarovka pro napojení přípojky do stávajícího hlavního řadu PE potrubí s ovládacím ventilem.
Produkt jste již hodnotil

Košík obsahuje nepovolené položky

Košík je prázdný

Zobrazit košík

Zboží bylo přidáno do porovnání

Prosím čekejte...
Objednávku nelze dokončit, zkuste to prosím později
Chyba při vložení do košíku
Nepovolená kombinace - košík obsahuje dárek z věrnostního programu, který je možné uplatnit pouze v samostatné objednávce.
Chyba při odebrání z košíku
Dárek lze uplatnit pouze v samostatné objednávce.
Dárek lze uplatnit pouze s nákupem alespoň jedné položky.
Máte blokované čerpání bodů
Chyba při vložení dárku do košíku
Pro vložení do košíku nemáte dostateční počet bodů
Dárek není skladem

Hlídání zboží bylo úspešně nastaveno. Budeme vás informovat emailem.

Požadavek nemůže být odeslán. Zkuste to znovu později