0Porovnat
Všechny kategorie
Všechny kategorie

Zboží bylo vloženo do košíku

Odbočka elektro navrtávací s ventilem 110/32 PE 100 SDR 11 +GF+

Tvarovka pro napojení přípojky do stávajícího hlavního řadu PE potrubí s ovládacím ventilem.

Vaše cena7 651 Kč
Vaše cena bez DPH6 323  Kč
Skladem

Varianty

Odbočka elektro navrtávací 110/40 PE 100 SDR 11 otočný vývod 360° +GF+
3-5 pracovních dnů
Vnější průměr roury DN/OD (mm):
 110
Vnější průměr přípojky d (mm):
 40
1 724 Kč 
s DPH
3-5 pracovních dnů
1 724 Kč 
s DPH
Odbočka elektro navrtávací s ventilem 110/63 PE 100 SDR 11 +GF+
Skladem
Vnější průměr roury DN/OD (mm):
 110
Vnější průměr přípojky d (mm):
 63
7 806 Kč 
s DPH
Skladem
7 806 Kč 
s DPH
DPH:21%
Jednotka:Ks
Kód 1:DAV11032
Značka:GF

Popis

  • tvarovka pro přípojku k hlavnímu řadu PE potrubí
  • použití pro vodu i plyn
  • s ovládacím ventilem
  • tvarovky se svařují pouze pomocí speciální elektrosvářečky

Technická specifikace

Obecné

Barva
Barva
černá
Výrobní řada (mm)
Výrobní řada (mm)
50 -315 mm
Použití
Použití
hlavní řady, domovní přípojky
Dle normy
Dle normy
ČSN EN 12201-3, EN 1555
Materiál
Materiál
PE 100 - polyetyén
SDR
SDR
11
PN (bar)
PN (bar)
PN 16
Hmotnost netto (kg)
Hmotnost netto (kg)
2,368 kg
Napájecí napětí
Napájecí napětí
40

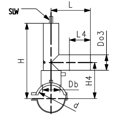
Rozměry elektro tvarovek

Celková délka l (mm)
Celková délka l (mm)
165 mm
Vnější průměr roury DN/OD (mm)
Vnější průměr roury DN/OD (mm)
110 mm
Vnější průměr přípojky d (mm)
Vnější průměr přípojky d (mm)
32 mm

Hodnocení

Odbočka elektro navrtávací  110/32 PE 100 SDR 11 otočný vývod 360° +GF+

Odbočka elektro navrtávací 110/32 PE 100 SDR 11 otočný vývod 360° +GF+

DAA11032
1 765  Kč / Ks s DPH
Skladem
{branchAvailabilityBranch}
{branchAvailabilityText}

Tvarovka pro napojení přípojky do stávajícího hlavního řadu PE potrubí.
Produkt jste již hodnotil

Košík obsahuje nepovolené položky

Košík je prázdný

Zobrazit košík

Zboží bylo přidáno do porovnání

Prosím čekejte...
Objednávku nelze dokončit, zkuste to prosím později
Chyba při vložení do košíku
Nepovolená kombinace - košík obsahuje dárek z věrnostního programu, který je možné uplatnit pouze v samostatné objednávce.
Chyba při odebrání z košíku
Dárek lze uplatnit pouze v samostatné objednávce.
Dárek lze uplatnit pouze s nákupem alespoň jedné položky.
Máte blokované čerpání bodů
Chyba při vložení dárku do košíku
Pro vložení do košíku nemáte dostateční počet bodů
Dárek není skladem

Hlídání zboží bylo úspešně nastaveno. Budeme vás informovat emailem.

Požadavek nemůže být odeslán. Zkuste to znovu později